Дробилка ВДП-15 в Магадане

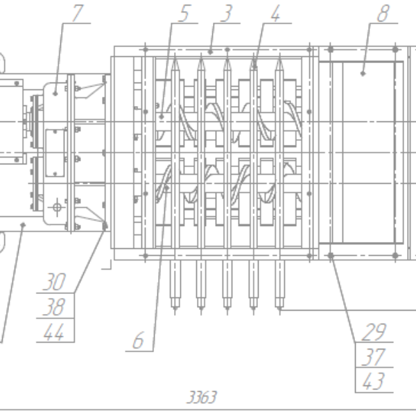
Промышленная дробилка ВДП-15 представляет собой дробилку-питатель, которая используется для предварительного измельчения угля и подачи готового сырья на транспортер. Оборудование способно разбивать крупную фракцию твердого топлива для оптимизации процессов горения. Применение дробилки данного типа позволяет исключить остановку котельной на случай выхода из строя основного бункера с углем.

Цена:
650 000 руб.
Количество:
Отправляя свои личные данные через формы на сайте, Вы даёте своё согласие на обработку персональных данных согласно Федеральному закону №152-ФЗ «О персональных данных» от 27.07.2006 г. в редакции от 01.07.2017.

Устройство и принцип работы

Конструкция дробилки базируется на металлическом шнеке. Вал имеет специальные насечки для эффективной подачи твердого топлива. В основе оборудования присутствует массивная рамная база, которая используется для размещения и установки агрегатов. Также дробилка комплектуется мощным электродвигателем, который запитан от 380В. Механические движения передаются через специальный приводной механизм.

Принцип работы дробилки достаточно прост и основывается на постепенном захвате угля с целью дальнейшего его измельчения внутри бункера. При помощи специального шнека и ячеистой структуры внутренней части корпуса осуществляется отбор фракций. Данная модель дробилки способна измельчать уголь до 0-40 мм.

Особенности и преимущества

Среди главных особенностей модели можно выделить высокую надежность и неприхотливость во время эксплуатации. Оборудование работает в самых тяжелых условиях и обеспечивает непрерывную подачу топлива в топку. Следует выделить несколько преимуществ:

  • высокая надежность;
  • мощный электрический двигатель;
  • простая схема установки;
  • долговечность дробилки;
  • высокая производительность.

За счет применения шнековой системы скорость подачи угля увеличилась в несколько раз. Производитель комплектует агрегаты отечественными уравнительными муфтами и коробками передач.

Эксплуатация и техническое обслуживание

Эксплуатация данных дробилок возможна в любой твердотопливной котельной, которая использует для работы каменный уголь. Система дробления способна разбивать любые крупные фракции. За счет измельчения повышается качество горения, что положительно влияет на эффективность нагрева емкости с теплоносителем. Для обслуживания дробилки используются специальные инструменты. В плане ТО оборудование требует периодической смазки подвижных узлов с учетом заводской схемы расположения точек. Также необходимо проверять надежность крепления и фиксации деталей.

Купить дробилку ВДП-15

Приобрести данный тип оборудования можно в нашей компании. Широкий выбор агрегатов в ассортименте позволяет подобрать системы с учетом индивидуальных характеристик. Предварительно необходимо сделать заказ при помощи телефона или путем заполнения заявки на сайте.

Характеристики
Серия: ВДП
Производительность: 15 т/ч
Размеры кусков угля, не более: 300 мм
Фракция угля на выходе из дробилки: 0-40 мм
Частота вращения винтов, не менее: 60 об/мин
Мощность электродвигателя: 11 кВт
Частота вращения электродвигателя: 1500 об/мин
Габаритные размеры: 3440x1055x745 мм
Масса: 1500 кг
Схемы

Города поставок

Москва
Пн-Пт 09:00 - 18:00
Сб 09:00 - 17:00
Карачаево-Черкесская Республика
Пн-Пт 09:00 - 18:00
Сб 09:00 - 17:00
Екатеринбург
Пн-Пт 09:00 - 18:00
Сб 09:00 - 17:00

Совершите покупку за 4 шага

Шаг 1
Выберите товары из каталога
Шаг 2
Поместите нужные вам товары в корзины
Шаг 3
Укажите свои контактные данные в форме обратной связи
Шаг 5
Ожидайте звонка от менеджера для оформления покупки

Похожие товары

Дробилки
Дробилка ДО-1М — это техническое устройство, которое предназначено для измельчения серых и бурых углей, используемых для отопления в котельных или доменных печах. Также может использоваться для измельчения любых материалов, которые по плотности схожи с углем.
Дробилки
Дробилка серии ВДГ-10 представляет собой промышленное дробильное устройство, которое предназначено для грохочения и дробления каменных углей. Оборудование способно измельчать фракции твердого топлива, а также осуществлять его подачу на транспортер. Серийные дробилки применяются на разных производствах, где имеется твердотопливный котел.
Вы смотрели эти товары
Дробилки
Дробилка серии ВДГ-10 представляет собой промышленное дробильное устройство, которое предназначено для грохочения и дробления каменных углей. Оборудование способно измельчать фракции твердого топлива, а также осуществлять его подачу на транспортер. Серийные дробилки применяются на разных производствах, где имеется твердотопливный котел.
Дробилки
Промышленная дробилка ВДП-15 представляет собой дробилку-питатель, которая используется для предварительного измельчения угля и подачи готового сырья на транспортер. Оборудование способно разбивать крупную фракцию твердого топлива для оптимизации процессов горения. Применение дробилки данного типа позволяет исключить остановку котельной на случай выхода из строя основного бункера с углем.
Топки котлов
Топка ТШПМ с механическими системами топливоподачи и шлакоудаления используется в стационарных и модульных котельных для сжигания твердых видов топлива: дров, бурого и каменного угля, отходов ДВО. Оснащена шурующей планкой для распределения топлива по решетке и удаления остатков горения. Работает в паре с водогрейными котлами КВм, которые устанавливаются на топку в вертикальной компоновке.